首页
培训课程
线上课堂
线下培训
企业定制
院校专属
认证考试
产品技能认证
职业技能认证
教育伙伴认证
海+体验店
竞赛活动
人才就业
技术社区
技术论坛
技术直播间
软件资源
院校合作
院校合作
行业共同体
院校资讯
登录
注册
登录
注册
搜索
热门搜索
PC-DMIS
坐标测量
工程师认证
Adams
QUINDOS
编程
CAE
GD&T
社区活动
技术论坛
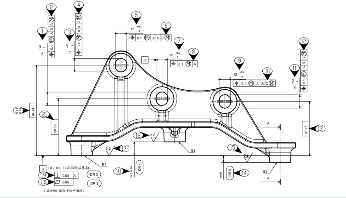
PC-DMIS 2018版本关于圆槽建立基准问题,1:C基准怎么建立? 2:圆槽两个方向位置度如何评价?
PC-DMIS 2018版本关于圆槽建立基准问题,1:C基准怎么建立? 2:圆槽两个方向位置度如何评价?
2025-02-26 15:34
1363
1
2
喜欢
我要回复
登陆后才能评论
登录
所有回贴(2)
仅看楼主
倒序看帖
王奎
直接测量圆槽,设置原点就可以了;圆槽位置度的位置度是分别评价单方向的位置的最大偏差的2倍,举例:9#尺寸只控制宽度12水平方向的最大实体距离(单方向),相对于基准ABC的位置。
2025-02-27 11:23
赞(
0
)
回复
取消
提交
王奎
可以借鉴我的2025大赛知识分享- 浅谈三坐标关于花键带“最大实体或最小实体实体补偿”的测量我的论文的帖子,顺便给个点赞及评价,谢谢!!!
2025-02-27 11:41
赞(
0
)
回复
取消
提交
首页
1
尾页
共2条
共1页
搜索
我要发帖
热门标签
新手入门
坐标系
几何公差
使用技巧
构造特征
高级应用
高级编程
资源中心
PC-DMIS/认证考试手册
HxALP授权培训合作伙伴项目合作手册
在线咨询
关注我们
海克斯康制造智能
电话咨询
400-6580-400
热线电话(工作时间8:30-17:30)
关注我们
电话咨询
在线咨询
海克斯康制造智能
注册
登录